Главная Каталог продукции Прайс-лист Полезная информация контакты
Редукторы цилиндрические
Редукторы червячные
Мотор-редукторы
Преобразователи частоты
Устройства плавного пуска
Аксессуары для ПЧ
Энкодеры
Карта сайта

 

Приводная техника

 

Вся продукция сертифицирована. Мы будем рады видеть Вас клиентом нашей компании.

 

 

Редуктор 1Ч-160

Редукторы червячные 1Ч-160

 

Одноступенчатый червячный редуктор 1Ч-160 общего назначения и предназначен для изменения крутящего момента и частоты вращения. Условия работы в микроклиматических районахс умеренным климатом (исполнение У), с сухим и влажным тропическим климатом (исполнение Т) категорий размещения 1,2, 3, 4 по ГОСТ 15150-69.

УСЛОВИЯ ПРИМЕНЕНИЯ РЕДУКТОРОВ:

  • нагрузка постоянная и переменная одного направления и реверсивная;
  • работа постоянная и с периодическими остановками;
  • вращение валов в любую сторону;
  • внешняя среда — неагрессивная, невзрывоопасная;
  • температура внешней среды — от минус 40 до плюс 50°С.

Технические характеристики червячных редукторов 1Ч-160

 

Передаточное число номинальное
8
10
12,5
16
20
25
31,5
40
50
63
80
Частота вращения вх.вала, об/мин.
1500
Номинальный крутящий момент на вых.валу, Н•м
 1860 
 1760 
 1670 
 2190 
 1860 
 1860 
 2460 
 2080 
 1860 
 1760 
 1480 
Подводимая расчётная мощность, кВт.
37,1
28,3
21,8
22,5
15,7
12,9
14,1
9,7
7,3
5,7
3,9
КПД, %
94
93
92
91
89
86
83
80
76
73
71
Допускаемая радиальная нагрузка, Н
вх.вал
1200
вых.вал
12150
Корригированный уровень зв.мощности, ДБА
94
Масса, кг не более
120
Номинальный крутящий момент на выходном валу дан при повторно-кратковременном режиме при ПВ 40%

 

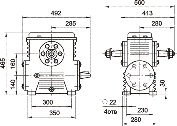
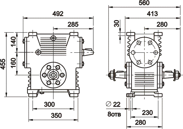
Габаритно присоединительные размеры червячных редукторов 1Ч-160

 

Исполнение редуктора с верхней крышкой.

РИС 1.
Исполнение редуктора с верхней крышкой.

РИС 2.
Исполнение редуктора с крышкой-лапой.

 

Входной вал

РИС 3.
Варианты исполнения конца быстроходного вала.

Выходной вал

РИС 4.
Вариант исполнения конца тихоходного вала.

Редукторы червячные одноступенчатые универсальные 1Ч-160

Варианты компоновки редуктора

 

ПРИМЕР УСЛОВНОГО ОБОЗНАЧЕНИЯ РЕДУКТОРА В ЗАКАЗЕ:

 

Редуктор 1Ч-160-32-51-11-У2

  • — типоразмер редуктора;
  • 160 — межосевое расстояние, мм.;
  • 32 — передаточное число;
  • 51 — вариант сборки;
  • 11 — вариант исполнения с верхней крышкой;
  • У — климатическое исполнение;
  • 2 — вариант размещения;

 

Приводная техника (мотор-редукторы, преобразователи частоты и устройства плавного пуска) отправляется покупателю транспортной компанией. По всем вопросам обращаться в офис.


Мы всегда рады видеть у себя наших старых партнеров и ждем новых.

Доставка во все регионы России!