Главная Каталог продукции Прайс-лист Полезная информация контакты
Редукторы цилиндрические
Редукторы червячные
Мотор-редукторы
Преобразователи частоты
Устройства плавного пуска
Аксессуары для ПЧ
Энкодеры
Карта сайта

 

Приводная техника

 

Вся продукция сертифицирована. Мы будем рады видеть Вас клиентом нашей компании.

 

 

Мотор-редуктор червячный одноступенчатый МЧ100, МЧ125, МЧ160

Мотор-редуктор червячный одноступенчатый МЧ100, МЧ125, МЧ160

 

Мотор-редуктор червячный одноступенчатый МЧ100, МЧ125, МЧ160

Описание:

Мотор-редукторы червячные одноступенчатые МЧ предназначены для работы в качестве приводов общемашиностроительного применения.

 

Условия применения мотор-редукторов МЧ100, МЧ125, МЧ160:

  1. Нагрузка постоянная и переменная (в пределах номинального крутящего момента);
  2. Вращение выходного вала в любую сторону без предпочтительности;
  3. Климатические исполнения У3 и Т2 по ГОСТ 15150-69 при работе на высоте над уровнем моря до 1000м, допускается работа мотор-редуктора на высоте более 1000м над уровнем моря при соблюдении требований ГОСТ 183-74;
  4. Внешняя среда – неагрессивная, невзрывоопасная, с содержанием непроводящей пыли до 10 мг/м3;

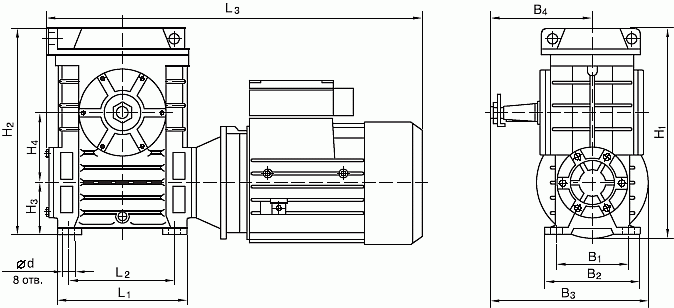
Мотор-редуктор МЧ100, МЧ125, МЧ160

 

РИС.1А
Габаритные и присоединительные размеры.

Мотор-редуктор МЧ100, МЧ125, МЧ160

 

РИС.1Б
Габаритные и присоединительные размеры.

 

ТИПОРАЗМЕР
H2
H3
H4
L1
L2
В1
В2
В3
В4
d
МЧ-100
312
100
100
240
200
140
175
357
225
19
МЧ-125
396
111
125
275
230
190
230
390
230
19
1МЧ-160
465
140
160
350
300
230
280
441
280
22

ТАБ.1А
Габаритные и присоединительные размеры.

ТИПОРАЗМЕР
L3
H1
эл./дв.
АИР90
АИР100
АИР112
АИР132
АИР90
АИР100
АИР112
АИР132
МЧ-100
585
600
  
-
   
-
337
337
   
-
  
-
МЧ-125
665
680
750
   
-
410
410
435
  
-
1МЧ-160
 
-
760
805
835
  
-
465
475
500

ТАБ.1Б
Габаритные и присоединительные размеры.

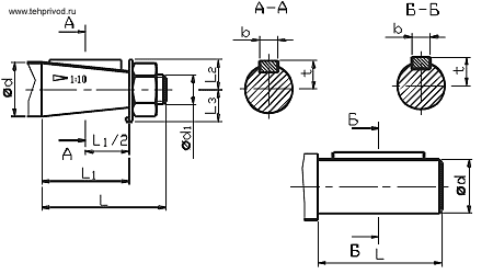
Исполнения выходного вала

РИС.2А
Исполнения выходного вала.

Исполнения выходного вала

РИС.2Б
Исполнения выходного вала.

ТИП
ВЫХДНЫЕ КОНЦЫ ВАЛОВ
L
L1
L2
L3
b
d
d1
t
m
МЧ-100
Конический
110
82
32
25
12
45
М30х2- 8g
23,45
-
МЧ-125
110
82
38
30
14
55
М36х3 -8g
28,95
-
1МЧ-160
140
105
50
40
18
70
М48х3- 8g
36,38
-
МЧ-100
Цилиндрический
110
-
-
-
14
45
-
48,5
-
МЧ-125
110
-
-
-
16
55
-
59
-
1МЧ-160
140
-
-
-
20
70
-
74,5
-
МЧ-100
Вал полый шлицевой
205
90
57,5
-
-
45
46
-
2
МЧ-125
230
110
60
-
-
55
60
-
2,5
1МЧ-160
275
130
72,5
-
-
70
72
-
2,5

 

ТАБ.2
Исполнения выходного вала.

Варианты сборки мотор-редуктора

РИС.3
Варианты сборки мотор-редуктора.

 

ТЕХНИЧЕСКИЕ ХАРАКТЕРИСТИКИ:

Номинальная частота вращения выходного вала об/мин
Допускаемая радиальная консольная нагрузка, приложенная к середине посадочной части конца выходного вала, Н
Номинальный крутящий момент на выходном валу
Н х м
КПД, % в непрерыв-ном режиме с ПВ 100%, не менее
Типо-размер двигателя серии АИР
Мощность двигателя, кВт
Корректи-рованный уровень звуковой мощности, дБА, не более
Масса мотор-редуктора кГ, не более
Мотор-редуктор МЧ-100
180
5500
270
93
112М4
5,5
80
100
140
350
93
112М4
5,5
100
112
430
92
112М4
5,5
100
90
380
89
100L4
4,0
90
71
350
87
100S4
3,0
84
56
440
87
100S4
3,0
84
45
445
70
100S4
3,0
84
35,5
460
78
90L4
2,2
77
28
580
77
90L4
2,2
77
22,4
472
69
90L6
1,5
77
18
580
69
90L6
1,5
77
14
625
61
90L6
1,5
77
11,4
401
58
90LА8
0,75
77
8,2
506
58
90LА8
0,75
77
Мотор-редуктор МЧ-125
180
8000
270
93
112М4
5,5
80
131
140
350
93
112М4
5,5
131
112
430
92
112М4
5,5
131
90
520
89
112М4
5,5
131
71
650
88
112М4
5,5
131
56
595
87
100L4
4,0
121
45
690
81
100L4
4,0
121
35,5
640
79
100S4
3,0
115
28
580
77
90L4
2,2
108
22,4
715
76
90L4
2,2
108
18
805
69
90L4
2,2
108
14
695
71
90L6
1,5
108
11,4
766
68
90L6
1,5
108
8,2
760
60
90LВ8
1,1
108
Мотор-редуктор 1МЧ-160
180
11000
550
94
132М4
11,0
80
204
140
700
93
132М4
11,0
204
112
870
93
132М4
11,0
204
90
1060
91
132М4
11,0
204
71
1300
88
132М4
11,0
204
56
1630
87
132М4
11,0
204
45
1935
83
132М4
11,0
204
35,5
1615
79
132S4
7,5
204
28
1916
73
132S4
7,5
190
22,4
1663
74
112М4
5,5
163
18
2069
74
112М4
5,5
163
14
1880
70
112МВ6
4,0
163
11,4
1763
66
112МА6
3,0
160
8,2
1638
66
112МА8
2,2
160

 


ПРИМЕР УСЛОВНОГО ОБОЗНАЧЕНИЯ В ЗАКАЗЕ:

Мотор-редуктор МЧ–125–71–51-У3, ТУ УЗ.26-00224828-342-97, что означает:

МЧ – тип мотор-редуктора;

125 – межосевое расстояние, мм;

71 – номинальная частота вращения выходного вала, об/мин;

51 – вариант сборки по ГОСТ 20373-80;

У3 – климатическое исполнение и категория размещения по ГОСТ 15150-69;

 

Приводная техника (мотор-редукторы, преобразователи частоты и устройства плавного пуска) отправляется покупателю транспортной компанией. По всем вопросам обращаться в офис.

 


Мы всегда рады видеть у себя наших старых партнеров и ждем новых.

Доставка во все регионы России!