Главная Каталог продукции Прайс-лист Полезная информация контакты
Редукторы цилиндрические
Редукторы червячные
Мотор-редукторы
Преобразователи частоты
Устройства плавного пуска
Аксессуары для ПЧ
Энкодеры
Карта сайта

 

Приводная техника

 

Вся продукция сертифицирована. Мы будем рады видеть Вас клиентом нашей компании.

 

 

Мотор-редукторы червячные одноступенчатые Chiaravalli CHM

Мотор-редукторы червячные одноступенчатые CHM

 

Мотор-редукторы червячные одноступенчатые Chiaravalli CHM

 

Червячные редукторы производства Chiaravalli Trasmissioni SpA (Италия) пригодны для разнообразных типов монтажа. Постоянный контроль на всех стадиях производства обеспечивает наилучшее качество редукторов. Корпусы редукторов размеров от 025 до 090 - алюминиевые, размеров 110 и 130 - чугунные.
Все изделия покрашены аллюминиевой краской RAL 9022 для защиты деталей от износа и возникновения микротрещин корпуса.
Редукторы снабжены по меньшей мере одной заливной горловиной, которая используется в т.ч. и для тестирования возможных протечек масла.
Соединительные фланцы позволяют комбинировать 2 редуктора для получения более высоких передаточных чисел.

 

CHM характеристики с четырехполюсным электродвигателем - 1400 оборотов на входе

 

 

типоразмер редуктора передаточное число, i число оборотов на выходе, n2 (рад/мин) мощность двигателя, P1 (кВ) крутящий момент, T2 (нМ) сервис фактор, f.s.
CHM 025 7.5 186.7 0.09 3.8 2.8
10 140.0 0.09 5 2.4
15 93.3 0.09 7.2 1.6
20 70.0 0.09 9 1.3
25 56.0 0.09 10 1.0
30 46.7 0.09 12.3 1.1
40 35.0 0.09 13 1.0
50 28.0 0.09 14 0.7
60 23.3 0.09 14 0.6

типоразмер редуктора передаточное число, i число оборотов на выходе, n2 (рад/мин) мощность двигателя, P1 (кВ) крутящий момент, T2 (нМ) сервис фактор, f.s.
CHM 030 7.5 186.7 0.22 9 2.1
10 140.0 0.22 11 1.6
15 93.3 0.22 16 1.0
20 70.0 0.22 20 0.9
25 56.0 0.18 20 1.0
30 46.7 0.18 22 0.9
40 35.0 0.18 21 0.8
50 28.0 0.18 19 0.8
60 23.3 0.09 18 0.9
80 17.5 0.09 13 0.9

типоразмер редуктора передаточное число, i число оборотов на выходе, n2 (рад/мин) мощность двигателя, P1 (кВ) крутящий момент, T2 (нМ) сервис фактор, f.s.
CHM 075 7.5 186.7 4.00 180 1.0
10 140.0 4.00 237 0.8
15 93.3 3.00 260 0.8
20 70.0 1.50 167 1.2
25 56.0 1.50 204 1.0
30 46.7 1.50 232 1.0
40 35.0 1.10 214 1.0
50 28.0 0.75 176 1.2
60 23.3 0.75 199 1.0
80 17.5 0.55 178 1.1
100 14.0 0.55 203 0.9

типоразмер редуктора передаточное число, i число оборотов на выходе, n2 (рад/мин) мощность двигателя, P1 (кВ) крутящий момент, T2 (нМ) сервис фактор, f.s.
CHM 040 7.5 186.7 0.55 22 1.6
10 140.0 0.55 30 1.4
15 93.3 0.55 44 0.9
20 70.0 0.55 38 1.0
25 56.0 0.37 45 0.9
30 46.7 0.37 52 0.8
40 35.0 0.25 43 0.9
50 28.0 0.22 44 0.9
60 23.3 0.18 42 0.8
80 17.5 0.18 36 0.8
100 14.0 0.18 35 0.8

типоразмер редуктора передаточное число, i число оборотов на выходе, n2 (рад/мин) мощность двигателя, P1 (кВ) крутящий момент, T2 (нМ) сервис фактор, f.s.
CHM 090 7.5 186.7 4.00 184 1.5
10 140.0 4.00 242 1.3
15 93.3 4.00 351 1.1
20 70.0 4.00 456 0.8
25 56.0 3.00 417 0.8
30 46.7 3.00 478 0.9
40 35.0 1.50 306 1.2
50 28.0 1.50 367 1.0
60 23.3 1.50 421 0.8
80 17.5 0.75 257 1.1
100 14.0 0.75 300 0.9

типоразмер редуктора передаточное число, i число оборотов на выходе, n2 (рад/мин) мощность двигателя, P1 (кВ) крутящий момент, T2 (нМ) сервис фактор, f.s.
CHM 050 7.5 186.7 0.75 33.3 2.0
10 140.0 0.75 43.9 1.6
15 93.3 0.75 62.6 1.2
20 70.0 0.75 80 0.9
25 56.0 0.55 70 1.0
30 46.7 0.55 80 1.0
40 35.0 0.37 67 1.1
50 28.0 0.37 78 0.9
60 23.3 0.37 87 0.8
80 17.5 0.25 70 0.9
100 14.0 0.18 59 0.9

типоразмер редуктора передаточное число, i число оборотов на выходе, n2 (рад/мин) мощность двигателя, P1 (кВ) крутящий момент, T2 (нМ) сервис фактор, f.s.
CHM 110 7.5 186.7 7.50 344 1.6
10 140.0 7.50 453 1.3
15 93.3 7.50 659 1.0
20 70.0 5.50 635 1.0
25 56.0 4.00 573 1.2
30 46.7 4.00 645 1.1
40 35.0 3.00 636 1.1
50 28.0 3.00 764 0.9
60 23.3 2.20 645 1.0
80 17.5 1.50 546 0.9
100 14.0 1.10 470 1.0

типоразмер редуктора передаточное число, i число оборотов на выходе, n2 (рад/мин) мощность двигателя, P1 (кВ) крутящий момент, T2 (нМ) сервис фактор, f.s.
CHM 063 7.5 186.7 1.50 67.4 1.8
10 140.0 1.50 88.6 1.4
15 93.3 1.50 126 1.1
20 70.0 1.50 164 0.8
25 56.0 1.10 145 0.9
30 46.7 1.10 165 1.0
40 35.0 0.75 143 1.0
50 28.0 0.55 122 1.1
60 23.3 0.55 138 0.9
80 17.5 0.37 114 1.1
100 14.0 0.37 127 0.9

типоразмер редуктора передаточное число, i число оборотов на выходе, n2 (рад/мин) мощность двигателя, P1 (кВ) крутящий момент, T2 (нМ) сервис фактор, f.s.
CHM 130 7.5 186.7 7.50 348 2.2
10 140.0 7.50 455 1.8
15 93.3 7.50 660 1.2
20 70.0 7.50 877 1.0
25 56.0 7.50 1071 0.9
30 46.7 7.50 1225 0.8
40 35.0 5.50 1173 0.9
50 28.0 4.00 1023 0.9
60 23.3 3.00 886 1.1
80 17.5 3.00 1112 0.8
100 14.0 1.50 652 1.1

 

Пример заказа: Пример заказа

 

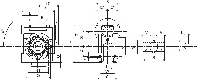
Pазмеры редуктора CHM 030-130

 

Pазмеры редуктора CHM 030-130




 

Монтажные положения для CHM 030-130

 

 


Монтажные положения для CHM 030-130

 

Позиции фланцев выходного вала для CHM 030-130

 

 


Позиции фланцев выходного вала для CHM 030-130

 

 

Размеры фланца для присоединения электродвигателей к CHM 030-130

 

 

Размеры фланца для присоединения электродвигателей к CHM 030-130

 

 

Тип Фланец двигателя С I E 7.5 10 15 20 25 30 40 50 60 80 100
D
CHM 030 63B5 95 115 140 11 11 11 11 11 11 11 11      
63B14 60 75 90
56B5 80 100 120 9 9 9 9 9 9 9 9 9 9  
56B14 50 65 80
Тип Фланец двигателя С I E 7.5 10 15 20 25 30 40 50 60 80 100
D
CHM 040 71B5 110 130 160 14 14 14 14 14 14 14        
71B14 70 85 105
63B5 95 115 140 11 11 11 11 11 11 11 11      
63B14 60 75 90
56B5 80 100 120               9 9 9 9
Тип Фланец двигателя С I E 7.5 10 15 20 25 30 40 50 60 80 100
D
CHM 050 80B5 130 165 200 19 19 19 19 19 19 19        
80B14 80 100 120
71B5 110 130 160 14 14 14 14 14 14 14 14 14 14 14
71B14 70 85 105
63B5 95 115 140             11 11 11 11 11
Тип Фланец двигателя С I E 7.5 10 15 20 25 30 40 50 60 80 100
D
CHM 063 90B5 130 165 200 24 24 24 24 24 24          
90B14 95 115 140
80B5 130 165 200 19 19 19 19 19 19 19 19 19 19  
80B14 80 100 120
71B5 110 130 160             14 14 14 14 14
71B14 70 85 105
Тип Фланец двигателя С I E 7.5 10 15 20 25 30 40 50 60 80 100
D
CHM 075 100/112B5 180 215 250 28 28 28                
100/112B14 110 130 160
90B5 130 165 200 24 24 24 24 24 24 24 24      
90B14 95 115 140
80B5 130 165 200       19 19 19 19 19 19 19 19
80B14 80 100 120
71B5 110 130 160               14 14 14 14
Тип Фланец двигателя С I E 7.5 10 15 20 25 30 40 50 60 80 100
D
CHM 090 100/112B5 180 215 250 28 28 28 28 28 28          
100/112B14 110 130 160
90B5 130 165 200 24 24 24 24 24 24 24 24 24    
90B14 95 115 140
80B5 130 165 200             19 19 19 19 19
80B14 80 100 120
Тип Фланец двигателя С I E 7.5 10 15 20 25 30 40 50 60 80 100
D
CHM 110 132B5 230 265 300 38 38 38 38              
100/112B5 180 215 250 28 28 28 28 28 28 28 28 28    
100/112B14 110 130 160
90B5 130 165 200             24 24 24 24 24
Тип Фланец двигателя С I E 7.5 10 15 20 25 30 40 50 60 80 100
D
CHM 130 132B5 230 265 300 38 38 38 38 38 38 38        
100/112B5 180 215 250           28 28 28 28 28 28
100/112B14 110 130 160
90B5 130 165 200                   24 24

 

 

Размеры фланцев выходного вала для CHM 030-130

 

 

Размеры фланцев выходного вала для CHM 030-130

 



Тип R1 F R N I P1 E E1 α°
CHM 030 FA
54.5 6 4 50 68/72* 6.5(n°4) 80 70 45°
Тип R1 F R N I P1 E E1 α°
CHM 040 FA
67 7 4 60 75/95* 9(n°4) 110 95 45°
FB
97 7 4 60 75/95* 9(n°4) 110 95 45°
FC
80 9 5 95 115 9.5(n°4) 140 - 45°
FD
58 12 5 80 100/110* 9(n°4) 120 - 45°
Тип R1 F R N I P1 E E1 α°
CHM 050 FA
90 9 5 70 85/110* 11(n°4) 125 110 45°
FB
120 9 5 70 85/110* 11(n°4) 125 110 45°
FC
89 10 5 110 130 9.5(n°4) 160 - 45°
FD
72 14.5 5 95 115/125* 11(n°4) 140 - 45°
Тип R1 F R N I P1 E E1 α°
CHM 063 FA
82 10 6 115 150/165* 11(n°4) 180 142 45°
FB
112 10 6 115 150/165* 11(n°4) 180 142 45°
FC
98 10 5 130 165 11(n°4) 200 - 45°
FD
107 10 5 130 165 11(n°4) 200 - 45°
FE
80.5 16.5 5 110 130/145* 11(n°4) 160 - 45°
Тип R1 F R N I P1 E E1 α°
CHM 075 FA
111 13 6 130 165/185* 14(n°4) 200 170 45°
FB
90 13 6 110 130/145* 14(n°4) 160 - 45°
Тип R1 F R N I P1 E E1 α°
CHM 090 FA
111 13 6 152 175/195* 14(n°4) 210 200 45°
FB
122 18 6 180 215/230* 14(n°4) 160 - 45°
FC
110 17 6 130 165/185* 11(n°4) 200 - 45°
FD
151 13 6 152 175/195* 14(n°4) 210 - 45°
Тип R1 F R N I P1 E E1 α°
CHM 110 FA
131 15 6 170 230 14(n°8) 280 260 45°
FB
180 15 6 170 230 14(n°8) 280 260 45°
Тип R1 F R N I P1 E E1 α°
CHM 130 FA
140 15 6 180 255 16(n°8) 320 290 22.5°

 

 

 

Размеры рычага крутящего момента для CHM 030-130

 

Размеры рычага крутящего момента для CHM 030-130



Тип I R F H øE A B øC ød øP Масса комплекта, кг
CHT MV 030 85 15 24 14 8 38 138 65 7 55 8 0.18
Без виброустойчивой втулки
Тип I R F H øE A B øC ød øP Масса комплекта, кг
CHT MV 040 100 18 31.5 14 10 44 162 75 7 60 8 0.24
Тип I R F H øE A B øC ød øP Масса комплекта, кг
CHT MV 050 100 18 38.5 14 10 50 168 85 9 70 8 0.27
Тип I R F H øE A B øC ød øP Масса комплекта, кг
CHT MV 063 150 18 49 14 10 55 223 95 9 80 8 0.57
Тип I R F H øE A B øC ød øP Масса комплекта, кг
CHT MV 075 200 30 47.5 25 20 70 300 115 9 95 8 1.10
Тип I R F H øE A B øC ød øP Масса комплекта, кг
CHT MV 090 200 30 57.5 25 20 80 310 130 11 110 8 1.26
Тип I R F H øE A B øC ød øP Масса комплекта, кг
CHT MV 110 250 35 62 30 25 100 385 165 11 130 8 1.92
Тип I R F H øE A B øC ød øP Масса комплекта, кг
CHT MV 130 250 35 69 30 25 125 410 215 14 180 8 2.23

 

 

Приводная техника (мотор-редукторы, преобразователи частоты и устройства плавного пуска) отправляется покупателю транспортной компанией. По всем вопросам обращаться в офис.


Мы всегда рады видеть у себя наших старых партнеров и ждем новых.

Доставка во все регионы России!