 |
Цилиндрический (плоский) мотор-редуктор TNC |
 |
Мотор редукторы серии TNC по размерам и мощности дают широкие возможности применения. Благодаря использованию качественных материалов, традиционной точности изготовления и тщательности сборки гарантирована поставка качественного изделия, обладающего высокой долговечностью и надежностью в эксплуатации. Редукторы TNC с цилиндрической передачей, спроектированны с помощью вычислительной техники и использованием качественных специализированных расчетных программ, что позволило получить изделие с оптимальными размерами и функциональными параметрами. Применение интегрированных зубьев позволило уменьшить размеры редуктора, а высококачественная обработка зубьев ограничивает появление вибраций и гарантирует бесшумный ход. С помощью вычислительной техники (CAD) разработаны чертежи и сопроводительная документация.
Большое множество комбинаций входных и выходных валов и фланцев делает возможным применение редукторов почти для всех требуемых вариантов привода. Форма редуктора допускает простое присоединение ко всем видам оборудования. Составление передач и их тонкая дифференциация по степеням начиная с i = 4.4 делает возможным точный выбор требуемых выходных оборотов. Коробки передач можно укомплектовать двигателями в широкой шкале моделей.
Все редукторы имеют полиуретановое покрытие нанесенное на специально подготовленный грунт. Для редукторов TNС за счет окраски унифицируется также цвет окраски установленного двигателя.
При наличии требования плавного изменения числа оборотов, постоянства оборотов или постоянства момента вращения редукторы TNС оснащаются преобразователями частоты.
Торцевые редукторы поставляются в варианте исполнения ТNС с полым входным валом, приспособленные для монтажа электродвигателей с размерами согласно IEC.
Если требуется редуктор TNС без установленного двигателя, то в заказе необходимо указать диаметр вала электродвигателя и размер фланца (диаметр делительной окружности крепежных отверстий). |
| |
|
|
| |
TNC53-71-20-4.0-1-1
- TNC – серия оборудования;
- 5 – конкретный типоразмер;
- 3 – число ступеней;
- 71 – характеристика передаточного числа;
- 20 – вращение выходного вала, об/мин;
- 4,0 – мощность электрического двигателя, кВт.
Без электродвигателей предусмотрены нижеприведенные варианты агрегатов:
- Входной цилиндрический вал без электродвигателя, фланец IM 3641 FT ** (OM B14 FT ***);
- Фланец меньшего размера В14 без электрического двигателя с фланцем IM 3641 FT ** (IM B14 FT ** );
- Фланец большего размера В14 без электрического двигателя с фланцем IM 3041 (IM B5)
- 1 - исполнение без крепежного фланца (2 – тип исполнения с фланцем);
- 1 - монтажная позиция.
Варианты установки
|
|
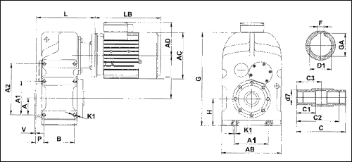
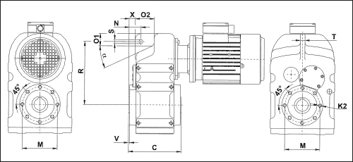
Габаритные и присоединительные размеры

|
A |
A1 |
A2 |
B |
P |
L |
I |
G |
H |
AB |
C |
C1 |
C2 |
C3 |
K1 |
| TNC 1 |
31 |
- |
115 |
77 |
20 |
156 |
112 |
248 |
74,5 |
165 |
122 |
63-34 |
105 |
61 |
M8x18 |
| TNC 2 |
43 |
- |
145 |
93 |
28 |
192 |
131 |
272 |
80 |
180 |
155 |
80-50 |
132 |
77,5 |
M10x18 |
| TNC 3 |
62,5 |
125 |
190 |
112 |
30,5 |
216,5 |
159 |
346 |
100 |
220 |
180 |
70-70 |
156 |
90 |
M12x18 |
| TNC 4 |
70 |
140 |
240 |
140 |
32,5 |
250 |
200 |
425 |
123 |
270 |
210 |
70-70 |
183 |
105 |
M16x20 |
| TNC 5 |
100 |
200 |
310 |
165 |
38 |
301 |
247 |
541 |
165 |
330 |
243 |
80-80 |
210 |
121,5 |
M16x20 |

| |
d7 |
D1 |
F |
GA |
R |
N |
S |
T |
O1 |
O2 |
X |
V |
|
M |
K2 |
| TNC 1 |
45 |
30 |
8 |
33,5 |
158 |
31 |
14 |
12 |
47,5 |
25 |
14 |
2 |
25 |
94 |
M8x12 |
| TNC 2 |
50 |
35 |
10 |
38,3 |
170 |
32 |
14 |
12 |
53 |
23 |
14 |
3 |
25 |
102 |
M8x18 |
| TNC 3 |
55 |
40 |
12 |
43,1 |
218 |
41 |
14 |
16 |
65 |
39 |
21 |
3,5 |
25 |
120 |
M12x18 |
| TNC 4 |
70 |
50 |
14 |
53,7 |
278 |
49 |
22 |
20 |
72 |
47 |
23 |
3 |
20 |
142 |
M12x20 |
| TNC 5 |
85 |
60 |
18 |
64,4 |
346 |
62 |
22 |
26 |
89 |
56 |
21 |
4 |
22 |
175 |
M16x24 |
Технические характеристики
| Значения номинальной мощности для коэффициента Sm= 1 при n1= 1400 мин-1 |
| Тип |
Передаточное отношение i |
Обороты
n2[ мин-1] |
Мак. выходной крутящий
момент M2max[ Нм ] |
Макс. мощность на
входе Р1[kW] |
| TNC 12 |
7,2 |
194 |
84 |
1,80 |
| 8,0 |
175 |
78 |
1,50 |
| 9,1 |
154 |
71 |
1,21 |
| 11,1 |
126 |
65 |
0,90 |
| 12,9 |
109 |
63 |
0,75 |
| 14,8 |
95 |
173 |
1,80 |
| 16,6 |
84 |
161 |
1,50 |
| 18,8 |
74 |
147 |
1,21 |
| 22,9 |
61 |
134 |
0,90 |
| 26,7 |
52 |
130 |
0,75 |
| TNC 13 |
31,4 |
45 |
147 |
0,72 |
| 35,2 |
40 |
164 |
0,72 |
| 39,7 |
35 |
170 |
0,66 |
| 48,5 |
29 |
189 |
0,60 |
| 52,2 |
27 |
186 |
0,55 |
| 56,4 |
25 |
190 |
0,52 |
| 61,1 |
23 |
190 |
0,48 |
| 71,0 |
20 |
189 |
0,41 |
| 79,5 |
18 |
196 |
0,38 |
| 89,8 |
16 |
204 |
0,35 |
| 109,8 |
13 |
213 |
0,30 |
| 127,5 |
11 |
215 |
0,26 |
| 138,3 |
10 |
224 |
0,25 |
| TNC 22 |
6,2 |
226 |
157 |
3,90 |
| 7,0 |
200 |
177 |
3,90 |
| 8,1 |
173 |
189 |
3,60 |
| 9,3 |
151 |
199 |
3,30 |
| 10,9 |
128 |
212 |
3,00 |
| 11,1 |
126 |
281 |
3,90 |
| 12,6 |
111 |
294 |
3,60 |
| 13,0 |
108 |
222 |
2,64 |
| 14,4 |
97 |
287 |
3,08 |
| 16,6 |
84 |
284 |
2,64 |
| 19,5 |
72 |
278 |
2,20 |
| 23,2 |
60 |
271 |
1,80 |
| TNC 23 |
30,4 |
46 |
355 |
1,80 |
| 34,6 |
40 |
348 |
1,55 |
| 39,6 |
35 |
367 |
1,43 |
| 45,8 |
31 |
359 |
1,21 |
| 53,6 |
26 |
340 |
0,98 |
| 63,8 |
22 |
343 |
0,83 |
| 71,9 |
19 |
349 |
0,75 |
| 81,7 |
17 |
371 |
0,70 |
| 93,5 |
15 |
370 |
0,61 |
| 108,2 |
13 |
386 |
0,55 |
| 126,7 |
11 |
394 |
0,48 |
| 150,9 |
9 |
401 |
0,41 |
| TNC 32 |
4,6 |
304 |
295 |
9,90 |
| 5,3 |
264 |
321 |
9,35 |
| 6,1 |
230 |
326 |
8,25 |
| 7,2 |
194 |
334 |
7,15 |
| 8,5 |
165 |
485 |
8,80 |
| 9,8 |
143 |
489 |
7,70 |
| 11,4 |
123 |
488 |
6,60 |
| 13,4 |
104 |
478 |
5,50 |
| TNC 33 |
25,5 |
55 |
661 |
4,00 |
| 29,1 |
48 |
622 |
3,30 |
| 33,5 |
42 |
621 |
2,86 |
| 38,9 |
36 |
610 |
2,42 |
| 45,8 |
31 |
623 |
2,10 |
| 54,8 |
26 |
639 |
1,80 |
| 60,1 |
23 |
428 |
1,10 |
| 68,6 |
20 |
489 |
1,10 |
| 78,9 |
18 |
562 |
1,10 |
| 91,7 |
15 |
654 |
1,10 |
| 107,8 |
13 |
734 |
1,05 |
| 128,9 |
11 |
752 |
0,90 |
| 154,8 |
9 |
752 |
0,75 |
| TNC 42 |
4,4 |
318 |
359 |
12,60 |
| 4,9 |
286 |
359 |
11,30 |
| 5,6 |
250 |
374 |
10,30 |
| 6,8 |
206 |
383 |
8,70 |
| 7,9 |
177 |
415 |
8,10 |
| 9,2 |
152 |
411 |
6,90 |
| 9,9 |
141 |
808 |
12,60 |
| 10,1 |
139 |
412 |
6, 30 |
| 11,1 |
126 |
813 |
11,30 |
| 12,6 |
111 |
841 |
10,30 |
| 15,4 |
91 |
868 |
8,70 |
| 17,8 |
79 |
934 |
8,10 |
| 20,9 |
67 |
935 |
6,90 |
| 22,9 |
61 |
935 |
6,30 |
| TNC 43 |
30,9 |
45 |
1211 |
6,05 |
| 34,7 |
40 |
1304 |
5,80 |
| 39,2 |
36 |
1321 |
5,20 |
| 47,9 |
29 |
1242 |
4,00 |
| 55,5 |
25 |
1295 |
3,60 |
| 65,2 |
21 |
1301 |
3,08 |
| 71,1 |
20 |
1216 |
2,64 |
| 79,8 |
18 |
1319 |
2,55 |
| 90,2 |
16 |
1403 |
2,40 |
| 110,2 |
13 |
1393 |
1,95 |
| 127,7 |
11 |
1448 |
1,75 |
| 150,1 |
9 |
1459 |
1,50 |
| 164,0 |
9 |
1403 |
1,32 |
| TNC 52 |
4,5 |
311 |
519 |
18,70 |
| 5,3 |
264 |
602 |
18,70 |
| 6,0 |
233 |
634 |
17,60 |
| 7,4 |
189 |
691 |
15,40 |
| 8,6 |
163 |
746 |
14,30 |
| 9,3 |
151 |
757 |
13,20 |
| 10,2 |
137 |
761 |
12,10 |
| 11,0 |
127 |
1268 |
18,70 |
| 13,1 |
107 |
1489 |
18,70 |
| 14,8 |
95 |
1585 |
17,60 |
| 18,2 |
77 |
1728 |
15,40 |
| 21,1 |
66 |
1860 |
14,30 |
| 25,1 |
56 |
1872 |
12,10 |
| TNC 53 |
31,1 |
45 |
2267 |
11,25 |
| 37,0 |
38 |
2345 |
9,78 |
| 41,9 |
33 |
2349 |
8,65 |
| 51,4 |
27 |
2498 |
7,50 |
| 59,9 |
23 |
2562 |
6,60 |
| 65,1 |
22 |
2578 |
6,11 |
| 71,0 |
20 |
2618 |
5,69 |
| 79,0 |
18 |
2176 |
4,25 |
| 94,0 |
15 |
2498 |
4,10 |
| 106,5 |
13 |
2761 |
4,00 |
| 130,7 |
11 |
2820 |
3,33 |
| 152,2 |
9 |
2959 |
3,00 |
| 165,3 |
8 |
2924 |
2,73 |
| 180,4 |
8 |
2923 |
2,50 |
|
| Плоский цилиндрический мотор-редуктор TNC, TNC 12, TNC 13, TNC 22, TNC 23, TNC 32, TNC 33 , TNC 42, TNC 43, TNC 52, TNC 53 |
Приводная техника (мотор-редукторы, преобразователи частоты и устройства плавного пуска) отправляется покупателю транспортной компанией. По всем вопросам обращаться в офис.
Мы всегда рады видеть у себя наших старых партнеров и ждем новых.
Доставка во все регионы России!
|
 |