 |
 |
|
 |
 |
Приводная техника

Вся продукция сертифицирована. Мы будем рады видеть Вас клиентом нашей компании.

|
|
 |
 |
 |
Червячные редукторы Tramec XA, XC, XF, HA, HF |
|
 |
 |
Червячный редуктор Tramec X - H |
 |
Червячные редукторы Tramec XA,
XC, XF, HA, HF
модернизированная серия
червячных редукторов,
изготавливаемая с использованием
технологии литья под давлением. Благодаря
простой и надежной конструкции
отличаются высокими
эксплуатационными характеристиками бесшумной работой.
Мощность
электродвигателей: 0.06 - 9.2 кВт
Максимальный крутящий момент: 14 - 920 Нм
Передаточное отношение: 7.5 - 400
|
|
Червячный редуктор Tramec XA, XC, XF, HA, HF
выпускается в следующих габаритах: |
Габарит редуктора |
Диаметр выходного вала |
Габарит
электродвигателей |
| XA30 |
XС30 |
XF30 |
14 |
IEC 56, 63 |
| XA40 |
XС40 |
XF40 |
18 (19) |
IEC 56, 63, 71 |
| XA50 |
XС50 |
XF50 |
25 (24) |
IEC 63, 71, 80 |
| XA63 |
XС63 |
XF63 |
25 |
IEC 71, 80, 90 |
| XA75 |
XС75 |
XF75 |
28 (30) |
IEC 80, 90, 100,
112 |
| XA90 |
XС90 |
XF90 |
35 |
IEC 80, 90, 100,
112 |
| XA110 |
XС110 |
XF110 |
42 |
IEC 90, 100, 112,
132 |
| XA130 |
XС130 |
XF130 |
45 |
IEC 90, 100, 112,
132 |
|
| |
Цилиндро-червячный редуктор Tramec HA, HF
выпускается в следующих габаритах: |
Габарит редуктора |
Диаметр выходного вала |
Габарит
электродвигателей |
| HA40 |
HF40 |
18 (19) |
IEC 56, 63, 71 |
| HA50 |
HF50 |
25 (24) |
IEC 63, 71, 80 |
| HA63 |
HF63 |
25 |
IEC 71, 80, 90 |
| HA75 |
HF75 |
28 (30) |
IEC 80, 90, 100,
112 |
| HA90 |
HF90 |
35 |
IEC 80, 90, 100,
112 |
| HA110 |
HF110 |
42 |
IEC 90, 100, 112,
132 |
| |
|
|
|
|
| |
Варианты
исполнения редуктора Tramec XA, XC, XF : |
Tramec XA 30
Tramec XA 40
Tramec XA 50
Tramec XA 63
Tramec XA 75
Tramec XA 90
Tramec XA 110 |
|
|
|
Tramec XС 30
Tramec XС 40
Tramec XС 50
Tramec XС 63
Tramec XС 75
Tramec XС 90
Tramec XС 110 |
|
|
|
Tramec XF 30
Tramec XF 40
Tramec XF 50
Tramec XF 63
Tramec XF 75
Tramec XF 90
Tramec XF 110 |
|
| |
Варианты
исполнения редуктора Tramec HA, HF : |
Tramec HA40
Tramec HA50
Tramec HA63
Tramec HA75
Tramec HA90
Tramec HA110 |
|
|
|
Tramec HF40
Tramec HF50
Tramec HF63
Tramec HF75
Tramec HF90
Tramec HF110 |
|
| |
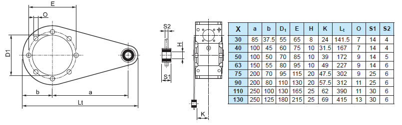
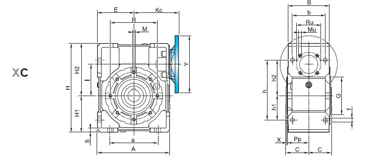
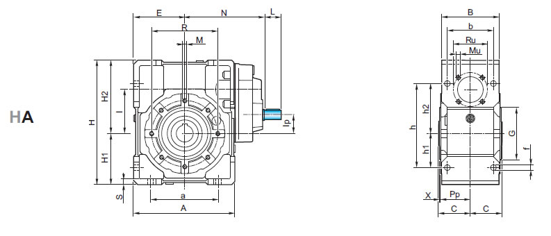
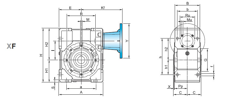
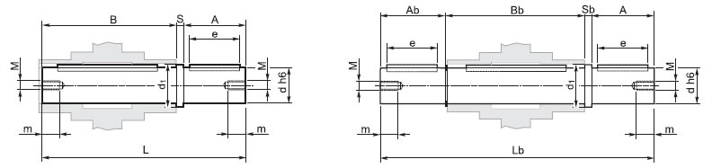
Габаритные и присоединительные размеры |
Установочное положение мотор-редукторов
Приводная техника (мотор-редукторы, преобразователи частоты и устройства плавного пуска) отправляется покупателю транспортной компанией. По всем вопросам обращаться в офис.
Мы всегда рады видеть у себя наших старых партнеров и ждем новых.
Доставка во все регионы России!
|
 |
 |
|
|