Главная Каталог продукции Прайс-лист Полезная информация контакты
Редукторы цилиндрические
Редукторы червячные
Мотор-редукторы
Преобразователи частоты
Устройства плавного пуска
Аксессуары для ПЧ
Энкодеры
Карта сайта

 

Приводная техника

 

Вся продукция сертифицирована. Мы будем рады видеть Вас клиентом нашей компании.

 

 

Мотор-редукторы червячные одноступенчатые серии RT / MRT (Чехия)

Мотор-редукторы серии RT / MRT

Мотор-редукторы червячные одноступенчатые серии RT / MRT (Чехия)

 

 

 

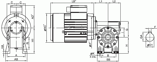
Габаритные и присоединительные размеры мотор-редукторов MRT:

 

Габаритные и присоединительные размеры мотор-редукторов RT / MRT

Тип A AB B BB C G H H1 H2 HA I K L1 L2 R D1H7 F GA
MRT 28
66
80
52
68
29
48
52
80
24
6
28
7
50
38
34
14
5
16,3
MRT 40
84
100
70
96
41
68
71
111
31
8
40
7
65
59
50
19
6
21,8
MRT 50
96
114
85
112
49
83
85
135
35
10
50
9
75
67
58
24
8
27,3
MRT 60
111
137
95
140
60
99
100
160
40
12
60
11
93
82
72
25
8
28,3
MRT 70
115
141
120
156
60,5
109
115
185
45
12
70
11
101
93
80
28
8
31,3
MRT 80
147
180
140
180
70
123
142
222
62
13
80
11
110
105
92
35
10
38,3
MRT 100
164
198
160
210
76
147
160
260
60
16,5
100
13
130
117
107
40
12
43,3
MRT 120
180
216
200
250
86
175
185
305
65
18
120
15
152
138
128
45
14
48,8
MRT 150
220
260
270
340
110
219
230
380
80
20
150
19
188
171
160
55
16
59
MRT 180
264
318
300
370
132
264
280
460
100
22
180
22
223
202
189
60
18
65,2

 

Габаритные и присоединительные размеры. Исполнение фланцевое.

RT / MRT

 

Тип
C
C1
G
I
L1
L2
LA1
T1
R
D1H7
F
GA
M1
N1h7
P1
O1
S1
MRT 28
29
20
48
28
50
38
7
-
34
14
5
16,3
56
40
70
49
7
MRT 40
41
41
68
40
65
59
11
4
50
19
6
21,8
115
95
140
79
9
MRT 50
49
43
83
50
75
67
11
4
58
24
8
27,3
130
110
160
92
10
MRT 60
60
42
99
60
93
82
12
4
72
25
8
28,3
165
130
200
102
11
MRT 70
60,5
51
109
70
101
93
12
5
80
28
8
31,3
165
130
200
111,5
11
MRT 80
70
50
123
80
110
105
13
5
92
35
10
38,3
165
130
200
120
11,5
MRT 100
76
59
147
100
130
117
15
5
107
40
12
43,3
215
180
250
135
13
MRT 120
86
59
175
120
152
138
15
5
128
45
14
48,8
215
180
250
145
13
MRT 150
110
98
219
150
188
171
20
6
160
55
16
59
300
250
350
208
17
MRT 180
132
88
264
180
223
202
20
5
189
60
18
65,2
350
300
400
220
18

 

Габаритные и присоединительные размеры. Исполнение навесное.

RT / MRT

 

Тип
C
G
I
L1
L2
T2
R
D1H7
F
GA
M1
N1h7
P1
O1
S1
MRT 28
29
48
28
50
38
-
34
14
5
16,3
54
40
68
36
M6x12
MRT 40
41
68
40
65
59
2,5
50
19
6
21,8
65
50
96
38,5
M6x12
MRT 50
49
83
50
75
67
2,5
58
24
8
27,3
75
60
88
46,5
M6x12
MRT 60
60
99
60
93
82
2,5
72
25
8
28,3
85
70
105
57,5
M8x16
MRT 70
60,5
109
70
101
93
3,5
80
28
8
31,3
100
80
115
57
M8x16
MRT 80
70
123
80
110
105
3,5
92
35
10
38,3
130
110
145
66,5
M10x20
MRT 100
76
147
100
130
117
3,5
107
40
12
43,3
130
110
164
72,5
M10x20
MRT 120
86
175
120
152
138
3,5
128
45
14
48,8
165
130
190
80,5
M12x25
MRT 150
110
219
150
188
171
4
160
55
16
59
215
180
250
106
M14x25
MRT 180
132
264
180
223
202
4
189
60
18
65,2
265
230
300
129
M16x25

 

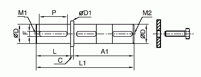
Односторонний выходной вал:

Односторонний выходной вал

 

тип
MRT / RT
A
A1
C
Dh7
D1
L
L1
L2
F
M1
M2
kg
со стандартом DIN 332
I
II
28
56
89
1
14
17
30
120
87
5
M5
M5
0,1
0,15
40
80
132
10
19
23
40
182
130
6
M6
M6
0,3
0,4
50
97
158
10
24
28
50
218
157
8
M8
M8
0,55
0,75
60
118
185
5
25
30
60
250
183
8
M10
M8
0,7
0,9
70
120
191
10
28
35
60
261
190
8
M10
M8
0,9
1,25
80
138
205
5
35
40
60
270
203
10
M12
M8
1,5
2
100
150
234
10
40
46
80
324
240
12
M16
M12
2,4
3,2
120
170
264
10
45
51
90
364
270
14
M16
M12
3,4
4,6
150
218
323
10
55
62
100
433
328
16
M20
M16
6,1
8,1
180
262
377
10
60
68
110
497
382
18
M20
M16
4,8
11

 

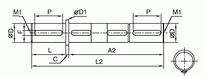
Двусторонний выходной вал:

Двусторонний выходной вал

 

тип
MRT / RT
A
A1
C
Dh7
D1
L
L1
L2
F
M1
M2
kg
со стандартом DIN 332
I
II
28
56
89
1
14
17
30
120
87
5
M5
M5
0,1
0,15
40
80
132
10
19
23
40
182
130
6
M6
M6
0,3
0,4
50
97
158
10
24
28
50
218
157
8
M8
M8
0,55
0,75
60
118
185
5
25
30
60
250
183
8
M10
M8
0,7
0,9
70
120
191
10
28
35
60
261
190
8
M10
M8
0,9
1,25
80
138
205
5
35
40
60
270
203
10
M12
M8
1,5
2
100
150
234
10
40
46
80
324
240
12
M16
M12
2,4
3,2
120
170
264
10
45
51
90
364
270
14
M16
M12
3,4
4,6
150
218
323
10
55
62
100
433
328
16
M20
M16
6,1
8,1
180
262
377
10
60
68
110
497
382
18
M20
M16
4,8
11

 

Варианты исполнения:

Варианты исполнения

 

 

Технические характеристики червячных редукторов серии RT / MRT:

Типо-размер
Передаточное число
Частота вращения выходного вала
Макси-мальный крутящий момент
Максимальная передаваемая мощность
КПД
Крутящий момент
Электродвигатель
Мощность
Тип (Россия)
I
n2
M2max
P1
kpd
M
Р
мин
Н*м
кВт
%
Н*м
кВт
MRT30
5
280
16
0,54
87
5,3
0,18
АИР56В4
7,5
186,7
16
0,37
84
7,8
0,18
АИР56В4
10
140
17
0,3
84
10,2
0,18
АИР56В4
12,5
112
17
0,26
78
11,8
0,18
АИР56В4
15
93,3
17
0,21
78
14,6
0,18
АИР56В4
20
70
17
0,17
73
18
12
0,18
0,12
АИР56В4
АИР56А4
25
56
19
0,17
67
20
13,4
0,18
0,12
АИР56В4
АИР56А4
30
46,7
21
0,16
63
15,6
0,12
АИР56А4
40
35
19
0,12
58
19
0,12
АИР56А4
50
28
17
0,09
54
17
0,09
АИР50В4
60
23,3
16
0,09
45
16
0,09
АИР50В4
80
17,5
11
0,05
42
13
0,06
АИР50А4
100
14
9
0,03
38
18
0,06
АИР50А4
MRT40
5
280
36
1,21
87
11
16
0,37
0,55
АИР63В4
АИР71А4
7,5
186,7
30
0,68
86
8,2
11,2
16,7
24,6
0,18
0,25
0,37
0,55
АИР56В4
АИР63А4
АИР63В4
АИР71А4
10
140
34
0,58
85
7,0
10,7
14,5
21,7
32,0
0,12
0,18
0,25
0,37
0,55
АИР56А4
АИР56В4
АИР63А4
АИР63В4
АИР71А4
12,5
112
35
0,49
84
8,8
13,4
18,2
27,2
40,1
0,12
0,18
0,25
0,37
0,55
АИР56А4
АИР56В4
АИР63А4
АИР63В4
АИР71А4
15
93,3
37
0,43
83
9,8
15,1
20,5
30,6
0,12
0,18
0,25
0,37
АИР56А4
АИР56В4
АИР63А4
АИР63В4
20
70
35
0,32
79
13,0
19,9
27,0
40,2
0,12
0,18
0,25
0,37
АИР56А4
АИР56В4
АИР63А4
АИР63В4
25
56
33
0,25
77
12,2
15,4
34,3
32,0
48,1
0,09
0,12
0,18
0,25
0,37
АИР50В4
АИР56А4
АИР56В4
АИР63А4
АИР63В4
30
46,7
39
0,27
71
13,5
16,9
26,0
35,5
52,6
0,09
0,12
0,18
0,25
0,37
АИР50В4
АИР56А4
АИР56В4
АИР63А4
АИР63В4
40
35
37
0,21
65
16,7
25,3
32,1
0,09
0,12
0,18
АИР50В4
АИР56А4
АИР56В4
50
28
34
0,16
62
20,2
25,3
38,8
0,09
0,12
0,18
АИР50В4
АИР56А4
АИР56В4
60
23,3
30
0,13
55
23,0
28,9
44,3
0,09
0,12
0,18
АИР50В4
АИР56А4
АИР56В4
80
17,5
25
0,10
44
23,6
29,6
0,09
0,12
АИР50В4
АИР56В4
100
14
24
0,08
43
28,8
0,09
АИР50В4
MRT50
5
280
65
2,12
90
23
0,75
АИР71В4
7,5
186,7
52
1,40
88
24,9
33,9
0,55
0,75
АИР71А4
АИР71В4
10
140
59
1,20
87
31,6
43,1
0,55
0,75
АИР71А4
АИР71В4
12,5
112
61
1,00
86
40,7
55,5
0,55
0,75
АИР71А4
АИР71В4
15
93,3
64
0,89
86
45,1
61,5
0,55
0,75
АИР71А4
АИР71В4
20
70
62
0,65
84
57,9
78,9
0,55
0,75
АИР71А4
АИР71В4
25
56
57
0,52
78
48,4
71,4
0,37
0,55
АИР63В4
АИР71А4
30
46,7
72
0,57
75
53,4
78,8
0,37
0,55
АИР63В4
АИР71А4
40
35
69
0,42
73
43,6
65,0
0,25
0,37
АИР63А4
АИР63В4
50
28
56
0,31
64
53,6
80,0
0,25
0,37
АИР63А4
АИР63В4
60
23,3
57
0,28
60
 39,5
58,1
0,18
0,25
АИР56В4
АИР63А4
80
17,5
57
0,22
57
 50,6
68,8
0,18
0,25
АИР56В4
АИР63А4
100
14
56
0,19
52
44,3
66,5
0,12
0,18
АИР56В4
АИР56А4
MRT60
5
280
110
3,58
90
33,8
46,1
1,1
1,5
АИР80А4
АИР80В4
7,5
186,7
120
2,64
89
50,0
68,2
1,1
1,5
АИР80А4
АИР80В4
10
140
112
1,84
89
70,0
91,3
1,1
1,5
АИР80А4
АИР80В4
12,5
112
110
1,48
87
81,8
111,5
1,1
1,5
АИР80А4
АИР80В4
15
93,3
120
1,36
86
97,0
1,1
АИР80А4
20
70
112
0,99
83
62,2
84,8
0,55
0,75
АИР71А4
АИР71В4
25
56
126
0,94
79
73,7
100
0,55
0,75
АИР71А4
АИР71В4
30
46,7
139
0,89
76
85,9
117
0,55
0,75
АИР71А4
АИР71В4
40
35
131
0,68
71
106
0,55
АИР71А4
50
28
122
0,56
64
120
0,55
АИР71А4
60
23,3
114
0,45
62
63,3
93,7
0,25
0,37
АИР63А4
АИР63В4
80
17,5
104
0,31
61
83,9
0,25
АИР63А4
100
14
96
0,25
56
96,0
0,25
АИР63А4
MRT70
5
280
147
4,74
91
34,1
46,5
1,1
1,5
АИР80А4
АИР80В4
7,5
186,7
153
3,32
90
50,7
69,1
1,1
1,5
АИР80А4
АИР80В4
10
140
165
2,66
91
68,2
93,0
1,1
1,5
АИР80А4
АИР80В4
12,5
112
178
2,35
89
83,3
114
1,1
1,5
АИР80А4
АИР80В4
15
93,3
182
2,04
87
98,1
134
1,1
1,5
АИР80А4
АИР80В4
20
70
170
1,47
85
127
175
1,1
1,5
АИР80А4
АИР80В4
25
56
162
1,16
82
154
1,1
АИР80А4
30
46,7
193
1,22
77
174
1,1
АИР80А4
40
35
177
0,89
73
109
149
0,55
0,75
АИР71А4
АИР71В4
50
28
180
0,75
70
132
180
0,55
0,75
АИР71А4
АИР71В4
60
23,3
166
0,64
63
143
0,55
АИР71А4
80
17,5
131
0,45
53
72,8
108
0,25
0,37
АИР63А4
АИР63В4
100
14
128
0,4
47
80,0
118
0,25
0,37
АИР63А4
АИР63В4
MRT80
5
280
190
5,99
93
95,2
127
3,0
4,0
АИР100S4
АИР100L4
7,5
186,7
195
4,14
92
141
188
3,0
4,0
АИР100S4
АИР100L4
10
140
190
3,06
91
186
3,0
АИР100S4
12,5
112
220
2,9
89
167
2,2
АИР90L4
15
93,3
250
2,84
86
194
2,2
АИР90L4
20
70
236
2,01
86
129
176
1,1
1,5
АИР80А4
АИР80В4
25
56
225
1,59
83
156
212
1,1
1,5
АИР80А4
АИР80В4
30
46,7
286
1,86
75
169
230
1,1
1,5
АИР80А4
АИР80В4
40
35
270
1,36
73
218
1,1
АИР80А4
50
28
249
1,03
71
133
181
0,55
0,75
АИР71А4
АИР71В4
60
23,3
223
0,85
64
144
197
0,55
0,75
АИР71А4
АИР71В4
80
17,5
214
0,69
57
171
0,55
АИР71А4
100
14
189
0,5
55
208
0,55
АИР71А4
MRT100
7,5
186,7
320
6,87
91
256
5,5
АИР112М4
10
140
350
5,77
89
333
5,5
АИР112М4
12,5
112
440
5,73
90
422
5,5
АИР112М4
15
93,3
465
5,16
88
360
4,0
АИР100L4
20
70
410
3,58
84
344
3,0
АИР100S4
25
56
400
2,9
81
414
3,0
АИР100S4
30
46,7
500
3,13
78
479
3,0
АИР100S4
40
35
480
2,41
73
438
2,2
АИР90L4
50
28
460
1,95
69
259
354
1,1
1,5
АИР80А4
АИР80В4
60
23,3
440
1,68
64
288
393
1,1
1,5
АИР80А4
АИР80В4
80
17,5
380
1,11
63
377
1,1
АИР80А4
100
14
340
0,96
52
390
1,1
АИР80А4
MRT120
7,5
186,7
540
11,35
93
260
5,5
АИР112М4
10
140
640
10,2
92
345
5,5
АИР112М4
12,5
112
690
8,89
91
427
5,5
АИР112М4
15
93,3
720
7,91
89
500
5,5
АИР112М4
20
70
630
5,43
85
464
4,0
АИР100L4
25
56
630
4,4
84
573
4,0
АИР100L4
30
46,7
810
4,95
80
490
655
3,0
4,0
АИР100S4
АИР100L4
40
35
760
3,76
74
606
3,0
АИР100S4
50
28
700
2,85
72
540
2,2
АИР90L4
60
23,3
680
2,56
65
584
2,2
АИР90L4
80
17,5
640
1,72
68
409
558
1,1
1,5
АИР80А4
АИР80В4
100
14
540
1,28
62
464
1,1
АИР80А4
MRT150
7,5
186,7
1070
22,49
93
523
11,0
АИР132М4
10
140
1120
18,04
91
683
11,0
АИР132М4
12,5
112
1230
15,85
91
854
11,0
АИР132М4
15
93,3
1220
13,4
89
1000
11,0
АИР132М4
20
70
1210
9,97
89
910
7,5
АИР132S4
25
56
1070
7,56
83
1060
7,5
АИР132S4
30
46,7
1480
8,61
84
1290
7,5
АИР132S4
40
35
1540
7,14
79
1186
5,5
АИР112М4
50
28
1340
5,04
78
1460
5,5
АИР112М4
60
23,3
1260
4,28
72
1178
4,0
АИР100L4
80
17,5
1250
3,52
65
1065
3,0
АИР100S4
100
14
1150
2,63
64
962
2,2
АИР90L4
MRT180
7,5
186,7
1690
35,52
93
714
15,0
АИР160S4
10
140
1860
29,96
91
930
15,0
АИР160S4
12,5
112
1890
24,63
9
1150
15,0
АИР160S4
15
93,3
1980
22,24
87
1335
15,0
АИР160S4
20
70
2040
16,99
88
1800
15,0
АИР160S4
25
56
1820
12,71
84
1575
11,0
АИР132М4
30
46,7
2270
13,69
81
1824
11,0
АИР132М4
40
35
2220
10,43
78
2340
11,0
АИР132М4
50
28
2120
8,51
73
1868
7,5
АИР132S4
60
23,3
2100
7,55
68
2086
7,5
АИР132S4
80
17,5
1900
5,36
65
1950
5,5
АИР112М4
100
14
1880
4,31
64
1309
1745
3,0
4,0
АИР100S4
АИР100L4

 

 

 

Приводная техника (мотор-редукторы, преобразователи частоты и устройства плавного пуска) отправляется покупателю транспортной компанией. По всем вопросам обращаться в офис.


Мы всегда рады видеть у себя наших старых партнеров и ждем новых.

Доставка во все регионы России!